未研(No.2B)
適度な光沢を得られるようにスキンパス(調質圧延)を施した仕上げで、ステンレス鋼ではもっとも一般的なもの。
製造上2番目(冷間圧延)の工程で出来、仕上げがブライト(光沢のある)状態のため、No.2Bと表す。
| 含有成分 | 炭素 | ケイ素 | マンガン | リン | 硫黄 | ニッケル | クロム | コバルト |
|---|---|---|---|---|---|---|---|---|
| C | Si | Mn | P | S | Ni | Cr | Co | |
| Max | 0.08 | 1.00 | 2.00 | 0.045 | 0.03 | 10.5 | 20.00 | |
| Min | 8.00 | 18.00 |
COBALT:0.1%以上~0.5%未満
| 含有成分 | 炭素 | ケイ素 | マンガン | リン | 硫黄 | ニッケル | クロム | コバルト |
|---|---|---|---|---|---|---|---|---|
| C | Si | Mn | P | S | Ni | Cr | Co | |
| Max | 0.08 | 1.00 | 2.00 | 0.045 | 0.03 | 11.00 | 20.00 | |
| Min | 8.00 | 18.00 |
COBALT:0.1%以上~0.5%未満
※製鋼番号・機械的性質・化学成分については、素材メーカーの検査証明書によります。
| 項目 | 耐力 (0.2%) |
引張強さ | 伸び | 硬さ | ||
|---|---|---|---|---|---|---|
| N/mm² | N/mm² | % | HRBW | HV | HBW | |
| Max | 90 | 200 | 187 | |||
| Min | 205 | 520 | 40 | |||
| 項目 | 耐力 (0.2%) |
引張強さ | 伸び |
|---|---|---|---|
| N/mm² | N/mm² | % | |
| Max | |||
| Min | 205 | 520 | 29 |
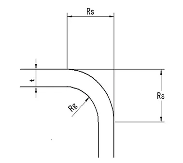
板厚(t)と製品寸法(A×B)を入力して「検索する」ボタンを押すと断面性能の詳しい情報が下記のテーブルに表示されます
| 製品寸法 | t | Rs | Rg | 重量 | 断面積 | 断面二次モーメント | 断面係数 | 断面係数 | 断面二次半径 | ||
|---|---|---|---|---|---|---|---|---|---|---|---|
| A×B | mm | mm | mm | Kg/m | cm2 | Ix cm4 | Iy cm4 | Zx cm3 | Zy cm3 | ix cm | iy cm |
※Rs、Rgは社内計測結果の平均値です。